legines.com
مجموعات الحلمة تقليل الصلب 2510

مجموعات الحلمة تقليل الصلب 2510

يشمل:
تقليل Nipple: 1 pc ؛
تقليل المحول: 1 جهاز كمبيوتر ؛

تجهيزات الأنابيب هي مكونات تستخدم لتوصيل التدفق وإنهائها والتحكم فيها وتغيير اتجاه الأنابيب في العديد من الصناعات المختلفة. عند شراء تجهيزات الأنابيب ، فكر في التطبيق ، لأن هذا سيؤثر على نوع المواد والشكل والحجم والمتانة المطلوبة. تتوفر التجهيزات الخيوط أو غير المرتبطة بها ، في العديد من الأشكال والأنماط والأحجام والجداول الزمنية (سمك جدار الأنابيب).

التطبيق النموذجي:
الشحوم والتبريد والأجهزة والنظام الهيدروليكي.

المزايا:
مؤشرات ترابط أنابيب Driseal (BSPT (R)/BSP (G). نطاق الأحجام والتكوينات

اتصل بنا

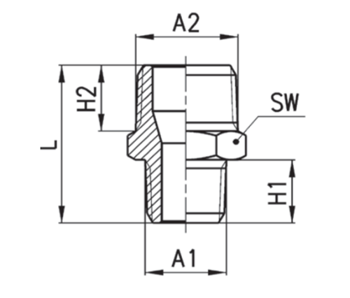
تحديد

جزء#

حجم الموضوع A1 × A2

جنوب غرب

ل

ح

2510-ab

R1/8 × R1/4

14

23.5

7.5

2510-AC

R1/8 × 3/8 17 24.0 7.5

2510-BC

R1/4 × R3/8

17

27.5

11.0

2510-BD

R1/4 × R1/2

22

30.5

11.0

2510-CD

R3/8 × R1.2

22

31.0

11.5

2510-DE

R1/2 × R3/4

27

37.5

14.0

الاتصال معنا

عن Legines

Legines Industrial Machinery Inc.

بصفته أحد الشركات المصنعة للتجهيزات النحاسية في الصين ، وضغط على الموردين. 45 أدوات الآلة التلقائية ، 35 أدوات الآلات CNC شبه الآلية ، وكذلك الموزعين ، الذين أصبحوا موردين مهمين لإنتاج قطع الغيار النحاسية الأمريكية في الصين ...
  • شرف
  • شرف

تعليمات & أخبار