legines.com
69# ضغط 90 درجة كوع الذكور النحاس

69# ضغط 90 درجة كوع الذكور النحاس

التطبيقات: الأسواق:
■■ الخطوط الجوية ■■ صناعي
■■ خطوط التشحيم ■■ التغليف
■■ خطوط التبريد ■■ هوائي
■■ صناعة ■■ الطباعة
■■ الآلات
■■ الضواغط
■■ نقل السوائل

ميزات المنتج:
■■ يفي بالمتطلبات الوظيفية لـ SAE J-512
■■ UL مدرجة للسائل القابل للاشتعال
■■ الأكمام النحاسية أو الأسيتال المتاحة
■■ لا تحضير أنبوب
■■ الأشكال المزورة والبثق

الجزء المرجعي رقم:
69 -169 -S69 -69A

اتصل بنا

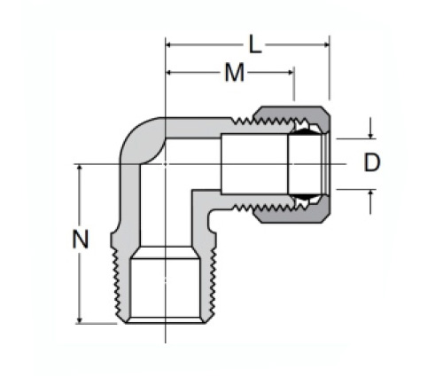
تحديد

جزء# أنبوب O.D*ذكر نPTF N م
69-2A 1/8*1/8 .68 .59
69-3A 3/16*1/8 .68 .62
69-3B 3/16*1/4 .85 .61
69-4A 1/4*1/8 .75 .62
69-4 ب 1/4*1/4 .91 .65
69-4C 1/4*3/8 .93 .72
69-4 د 1/4*1/2 1.11 .82
69-5A 5/16*1/8 .71 .67
69-5 ب 5/16*1/4 .82 .66
69-5C 5/16*3/8 .93 .81
69-5 د 5/16*1/2 1.12 .82
69-6A 3/8*1/8 .72 .72
69-6 ب 3/8*1/4 .88 .75
69-6C 3/8*3/8 .93 .81
69-6d 3/8*1/2 1.18 .87
69-8 ب 1/2*1/4 .97 .88
69-8C 1/2*3/8 1.06 .88
69-8D 1/2*1/2 1.13 .94
69-8E 1/2*3/4 1.25 1.16
69-10C 5/8*3/8 1.25 1.06
69-10D 5/8*1/2 1.31 1.06
69-12d 3/4*1/2 1.31 1.19
69-12e 3/4*3/4 1.38 1.19

*المرجع رقم 060202 BA

تم تصميم كوع الذكور النحاسي والخلات 90 درجة وفقًا لـ SAE J-512. يفي بالمتطلبات الوظيفية لتلك المواصفات ، مع مفصل الضغط ونهاية تشكل. يتم تضمين الأكمام النحاسية أو الأسيتال في شفة مُشهدة توفر الصلابة ، ومع ذلك يسمح بإدراج الأنبوب (الأنبوب) دون تحضير.
90 درجة تم تصميم تركيب كوع النحاس الذكور لتوصيل الأنابيب دون الحاجة إلى إعداد الأنبوب. يمكن استخدام هذا التركيب العالمي مع تركيبات مماثلة أخرى لإنشاء أنظمة أنابيب معقدة يسهل تجميعها وصيانتها.

الاتصال معنا

عن Legines

Legines Industrial Machinery Inc.

بصفته أحد الشركات المصنعة للتجهيزات النحاسية في الصين ، وضغط على الموردين. 45 أدوات الآلة التلقائية ، 35 أدوات الآلات CNC شبه الآلية ، وكذلك الموزعين ، الذين أصبحوا موردين مهمين لإنتاج قطع الغيار النحاسية الأمريكية في الصين ...
  • شرف
  • شرف

تعليمات & أخبار