legines.com
54# SAE 45 ° FLARE BRASS PRASTS مزورة 45 درجة كوع الذكور

54# SAE 45 ° FLARE BRASS PRASTS مزورة 45 درجة كوع الذكور

ميزات المنتج:
■■ كل البناء النحاسي
■■ يقاوم الاهتزاز باستخدام الجوز الطويل
■■ قائمة UL
■■ المتطلبات الوظيفية لـ SAE J512 و J513


الأسواق: التطبيقات:
■■ تبريد ■■ خطوط التبريد
■■ شاحنة ثقيلة ■■ البروبان
■■ متحرك ■■ الوقود
■■ صناعي ■■ محولات
■■ التدفئة ■■ الغاز الطبيعي
■■ تكييف

الجزء المرجعي رقم:
E415 -654F -47 -54 -59FF -4945 -159F -254 -10448-10459

اتصل بنا

تحديد

جزء#

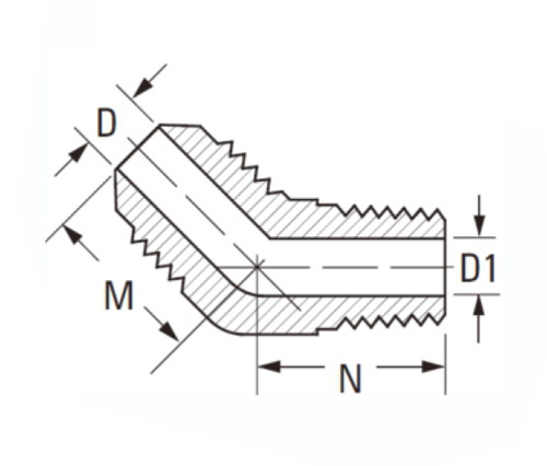
Flare O.د × thared

D

D1

م

ن

54-4A

1/4 × 1/8

.189

.219

.67

.64

54-4 ب

1/4 × 1/4

.189

.312

.75

.86

54-5A

5/16 × 1/8

.219

.219

.78

.64

54-5 ب

5/16 × 1/4

.219

.312

.81

.86

54-6B

3/8 × 1/4

.282

.312

.91

.86

54-6C

3/8 × 3/8

.282

.438

.93

.94

54-6D

3/8 × 1/2

.282

.562

.99

1.17

54-8C

1/2 × 3/8

.408

.438

1.07

.88

54-8D

1/2 × 1/2

.408

.562

1.12

1.17

54-10C

5/8 × 3/8

.500

.438

1.13

.95

54-10D

5/8 × 1/2

.500

.562

1.13

1.17

54-12d

3/4 × 1/2

.625

.750

1.28

1.17

54-12E

3/4 × 3/4

.625

.750

1.41

1.20

*المرجع رقم 010302

هذا عبارة عن تركيب نحاس Flare SAE 45 ° يتميز بكوع مزور 45 درجة. يتم استيفاء المتطلبات الوظيفية لـ SAE J512 و J513 من خلال هذا التركيب ، في حين أن استخدام الجوز الطويل يقلل من الاهتزاز مع الاستخدام.

الاتصال معنا

عن Legines

Legines Industrial Machinery Inc.

بصفته أحد الشركات المصنعة للتجهيزات النحاسية في الصين ، وضغط على الموردين. 45 أدوات الآلة التلقائية ، 35 أدوات الآلات CNC شبه الآلية ، وكذلك الموزعين ، الذين أصبحوا موردين مهمين لإنتاج قطع الغيار النحاسية الأمريكية في الصين ...
  • شرف
  • شرف

تعليمات & أخبار