legines.com
131 سد فرامل مقلوب الصلب

131 سد فرامل مقلوب الصلب

ميزات المنتج:
■■ كل البناء النحاسي
■■ UL مدرجة للسائل والغاز القابل للاشتعال
■■ يفي بالمتطلبات الوظيفية لـ SAE J512
■■ الصلب من الصلب للاقتصاد

الأسواق: التطبيقات:
■■ تكييف ■■ خطوط التبريد
■■ البحرية ■■ خطوط الفرامل
■■ متحرك ■■ خطوط الوقود
■■ محركات

أنابيب متوافقة:
■■ نحاس
■■ النحاس
■■ الألومنيوم
■■ أنابيب هيدروليكية من الصلب الملحوم

اتصل بنا

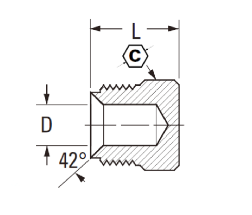
تحديد

جزء#

أنبوب O.د

ج

D

ل

131-3

3/16 3/8 .188

.53

131-4

1/4 7/16 .188 .54

131-5

5/16 1/2 .250 .59

131-6

3/8 5/8 .312 .66

*المرجع رقم 040109 BA

تم تصميم سلسلة 131 من تجهيزات خط الفرامل المقلوبة من النحاس النحاسي خصيصًا لخطوط الغاز والوقود. يوفر التصميم المقلوب اتصالًا خاليًا من التسرب في التطبيقات الضيقة.
قابس خط الفرامل المقلوب من الصلب 131 عبارة عن قابس متوافق مع البنزين أو البنزين المقلوب المصمم لإغلاق الطرف الطرفي للأنابيب المرنة. وهي مصنوعة من الصلب المطلي بالزنك لمقاومة التآكل وإدراج بلاستيكي متكامل يوفر قوة ضد التشويه. متاح أيضا مع البناء نحاس.
هذا المنتج عبارة عن قابس مطلي بالنحاس والصلب مع تركيب مضيق مقلوب. تم صنعه لقبول الأنبوب 1/8. البعد هو .53 "قطر بواسطة .54" عميق ، لا يمكن استخدام هذا النمط من المكونات إلا على أنابيب النحاس والصلب والألومنيوم.
غالبًا ما يكون الاقتصاد هو اسم اللعبة في تطبيقات خط الفرامل. وليس هناك طريقة أفضل لتوفير المال أكثر من هذا الخط الذي يمنع الهواء النقي من خطوطك ، ومع ذلك يبدو رائعًا وسوف يستمر لسنوات قادمة. مع الجوز الصلب والبرميل النحاسي ، من المؤكد أن تلبي احتياجاتك.

الاتصال معنا

عن Legines

Legines Industrial Machinery Inc.

بصفته أحد الشركات المصنعة للتجهيزات النحاسية في الصين ، وضغط على الموردين. 45 أدوات الآلة التلقائية ، 35 أدوات الآلات CNC شبه الآلية ، وكذلك الموزعين ، الذين أصبحوا موردين مهمين لإنتاج قطع الغيار النحاسية الأمريكية في الصين ...
  • شرف
  • شرف

تعليمات & أخبار