legines.com
3325# تقليل تجهيزات أنابيب الحلمة السداسية

3325# تقليل تجهيزات أنابيب الحلمة السداسية

ميزات المنتج: الأسواق:
■■ كل البناء النحاسي ■■ صناعي
■■ يلبي المتطلبات الوظيفية ■■ بناء
SAE J530 و SAE J531 ■■ شاحنة ثقيلة
■■ المواضيع التي تم إجراؤها وفقًا لمعايير درايسيل ■■ متحرك
■■ كل من المهروبات والخروج المتوفرة ■■ مصنع/أتمتة العملية

التطبيقات: أنابيب متوافقة:
■■ الخطوط الجوية ■■ نحاس
■■ خط المياه ■■ النحاس
■■ خطوط التبريد ■■ أنبوب الحديد

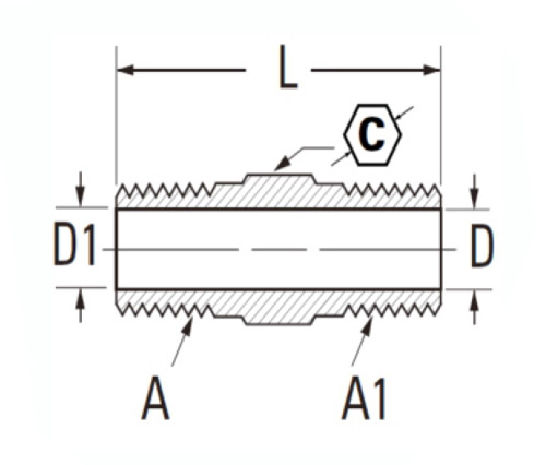
تحديد:
يتراوح ضغط ما يصل إلى 1000 رطل واحد
نطاق درجة الحرارة -65˚ إلى 250 درجة فهرنهايت

التطبيق النموذجي:
الشحوم والوقود ، LP والغاز الطبيعي ، الثلاجة.

المطابقة:
يلبي المواصفات والمعايير ASA و ASME و SAE.

الجزء المرجعي رقم:
216p -3325 -379 -122ah -122b

اتصل بنا

تحديد

جزء#

حجم الموضوع

ج

د

D1

ل

3325L-AA

1/8 × 1/8

7/16

.219

.219

.91

3325-AA

1/8 × 1/8

7/16

.219

.219

.97

3325L-BA

1/4 × 1/8

9/16

.219

.219

1.00

3325-با

1/4 × 1/8

91/6

.312

.219

1.19

3325L-BB

1/4 × 1/4

9/16

.312

.312

1.12

3325-BB

1/4 × 1/4

9/16

.312

.312

1.38

3325L-CA

3/8 × 1/8

11/16

.438

.219

1.11

3325-CA

3/8 × 1/8

11/16

.438

.219

1.22

3325L-CB

3/8 × 1/4

11/16

.438

.312

1.19

3325-CB

3/8 × 1/4

11/16

.438

.312

1.41

3325L-CC

3/8 × 3/8

11/16

.438

.438

1.25

3325 سم مكعب

3/8 × 3/8

11/16

.438

.438

1.41

3325L-DB

1/2 × 1/4

7/8

.562

.319

1.34

3325 ديسيبل

1/2 × 1/4

7/8

.562

.319

1.62

3325L-DC

1/2 × 3/8

7/8

.562

.438

1.41

3325-DC

1/2 × 3/8

7/8

.562

.438

1.62

3325L-DD

1/2 × 1/2

7/8

.662

.662

1.50

3325-DD

1/2 × 1/2

7/8

.562

.562

1.81

3325-ed

3/4 × 1/2

1-1/16

.750

.562

1.50

3325-ee

3/4 × 3/4

1-1/16

.750

.750

1.96

3325-HH

1 "× 1"

1-3/8

.960

.960

2.30

* L: الضوء

*المرجع No.130137

لدينا سلسلة 3325 تقليل تجهيزات أنابيب حلمة Hex مصنوعة من سبيكة نحاسية خالية من الرصاص بنسبة 100 ٪. نحن نقدم كل من المطروق والخروج من هذا التركيب. يتم تصنيع كل حلمة لتلبية المتطلبات الوظيفية لـ SAE J530 أو SAE J531 ، وكلاهما من أسواق الشاحنات الثقيلة. تتوفر حلمات أنابيب سلسلة 3325 مزورة في كل من مؤشرات الترابط الحجم الكبير والقياسي. هذه الحلمات متوافقة مع النحاس والنحاس والنحاس والحديد تتراوح من ¼ "إلى" الجدول "40". سيساعدك مهندسو مبيعات المصانع لدينا على التأكد من أن لديك مناسبًا لعملك! يتم استخدام سلسلة 3325 التي تقلل من تركيب أنابيب الحلمة لتقليل أحجام أنابيب القطر الخارجية. تتميز سلسلة 3325 بممزربات للبناء النحاسي وتأتي مع شهادة NACE بالإضافة إلى علامات A-607 و AWS و ASME على الجبهة. متوفر في ضغوط مختلفة حتى 1000 رطل.
يعد تقليل تجهيزات أنابيب الحلمة السداسية مثالية لمعظم التطبيقات. أنها توفر تصميمات مدمجة وتوفير المساحة وتستخدم للانضمام إلى أنظمة الأنابيب معًا. هذه الموصلات من الذكور والإناث مصنوعة من مواد نحاسية قوية ومزودة بخيوط مُشورة بدقة لضمان تشغيل سلس.

الاتصال معنا

عن Legines

Legines Industrial Machinery Inc.

بصفته أحد الشركات المصنعة للتجهيزات النحاسية في الصين ، وضغط على الموردين. 45 أدوات الآلة التلقائية ، 35 أدوات الآلات CNC شبه الآلية ، وكذلك الموزعين ، الذين أصبحوا موردين مهمين لإنتاج قطع الغيار النحاسية الأمريكية في الصين ...
  • شرف
  • شرف

تعليمات & أخبار