legines.com
3400# تجهيزات الأنابيب النحاسية 90 درجة شارع كوع

3400# تجهيزات الأنابيب النحاسية 90 درجة شارع كوع

ميزات المنتج: الأسواق:
■■ كل البناء النحاسي ■■ صناعي
■■ يلبي المتطلبات الوظيفية ■■ بناء
SAE J530 و SAE J531 ■■ شاحنة ثقيلة
■■ المواضيع التي تم إجراؤها وفقًا لمعايير درايسيل ■■ متحرك
■■ كل من المهروبات والخروج المتوفرة ■■ مصنع/أتمتة العملية

التطبيقات: أنابيب متوافقة:
■■ الخطوط الجوية ■■ نحاس
■■ خط المياه ■■ النحاس
■■ خطوط التبريد ■■ أنبوب الحديد

تحديد:
يتراوح ضغط ما يصل إلى 1000 رطل واحد
نطاق درجة الحرارة -65˚ إلى 250 درجة فهرنهايت

التطبيق النموذجي:
الشحوم والوقود ، LP والغاز الطبيعي ، الثلاجة.

المطابقة:
يلبي المواصفات والمعايير ASA و ASME و SAE.

الجزء المرجعي رقم:
2202p -3400 -304 -115 -202 -116a -28156 to 2816

اتصل بنا

تحديد

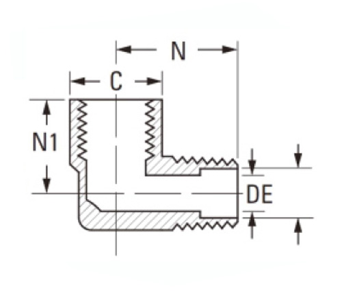
جزء# حجم الموضوع ج د ن N1
3400-AA 1/8 × 1/8 9/16 .219 .66 .47
3400-BB 1/4 × 1/4 11/16 .315 .91 .72
3400 سم مكعب 3/8 × 3/8 13/16 .438 .97 .78
3400-DD 1/2 × 1/2 1 " .562 1.25 1.03
3400-ee 3/4 × 3/4 1-1/4 .750 1.38 1.12

المرجع No.130239

3400# تجهيزات الأنابيب النحاسية 90 درجة مرفقة في الشارع مصنوعة من جميع البناء النحاسي ومتوافق مع كل من المهرجانات والخروج ؛ تجهيزات الصف الصناعي التي تلبي المتطلبات الوظيفية لـ SAE J530 و SAE J531 ؛ السوق: البناء ، الشاحنة الثقيلة والهاتف المحمول. يتم اتباع كلا المعيارين للعمل على تطبيقات الهاتف المحمول التي هي مطاط بالحرارة (TPR) تم تطويرها للاستخدام في التطبيقات في السيارات والصناعية والتجارية حيث يكون CPVC غير متوافق. وهي متوفرة في مجموعة واسعة من الأحجام ولديها مقاومة تآكل استثنائية. يتم استخدام هذا التركيب لتوصيل خطوط الهواء التي تتكون من أنابيب النحاس. لديها زاوية 90 درجة ومصنوعة من النحاس ، لذلك يمكن أن تصمد أمام الظروف الجوية القاسية.

الاتصال معنا

عن Legines

Legines Industrial Machinery Inc.

بصفته أحد الشركات المصنعة للتجهيزات النحاسية في الصين ، وضغط على الموردين. 45 أدوات الآلة التلقائية ، 35 أدوات الآلات CNC شبه الآلية ، وكذلك الموزعين ، الذين أصبحوا موردين مهمين لإنتاج قطع الغيار النحاسية الأمريكية في الصين ...
  • شرف
  • شرف

تعليمات & أخبار