legines.com
3500# التجهيزات النحاسية 90 درجة تجهيزات أنابيب الكوع

3500# التجهيزات النحاسية 90 درجة تجهيزات أنابيب الكوع

ميزات المنتج: الأسواق:
■■ كل البناء النحاسي ■■ صناعي
■■ يلبي المتطلبات الوظيفية ■■ بناء
SAE J530 و SAE J531 ■■ شاحنة ثقيلة
■■ المواضيع التي تم إجراؤها وفقًا لمعايير درايسيل ■■ متحرك
■■ كل من المهروبات والخروج المتوفرة ■■ مصنع/أتمتة العملية

التطبيقات: أنابيب متوافقة:
■■ الخطوط الجوية ■■ نحاس
■■ خط المياه ■■ النحاس
■■ خطوط التبريد ■■ أنبوب الحديد

تحديد:
يتراوح ضغط ما يصل إلى 1000 رطل واحد
نطاق درجة الحرارة -65˚ إلى 250 درجة فهرنهايت

التطبيق النموذجي:
الشحوم والوقود ، LP والغاز الطبيعي ، الثلاجة.

المطابقة:
يلبي المواصفات والمعايير ASA و ASME و SAE.

الجزء المرجعي رقم:
2200p -3500 -302 -200 -28001 إلى 28005 -100

اتصل بنا

تحديد

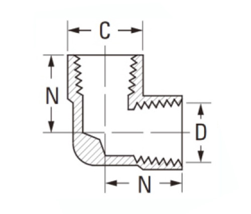
جزء# حجم الموضوع ج د ن ن
3500-أ 1/8 × 1/8 9/16 .219 .66 .47
3500-ب 1/4 × 1/4 11/16 .315 .91 .72
3500 ج 3/8 × 3/8 13/16 .438 .97 .78
3500 د 1/2 × 1/2 1 " .562 1.25 1.03
3500-ه 3/4 × 3/4 1 "-1/4 .750 1.38 1.12

المرجع No.130238

مصنوعة من النحاس ، يتم تصنيع المرفقين بنسبة 90 درجة لتلبية احتياجات التطبيقات الصناعية والبناء. النحاس المزور أكثر متانة وأصعب وأقل احتمالًا للانحناء من المنتجات المقدمة. تجهيزاتنا البرونزية لديها أيضا مقاومة أفضل للصدمة والاهتزاز. نحن نقدم كل من تجهيزات الأنابيب المزورة والبثق للمشاريع في جميع تطبيقات الصناعة ، بما في ذلك الخطوط الجوية وخطوط المياه وخطوط التبريد والمزيد. يتم تصنيع تجهيزات النحاس بأعلى معايير الجودة. من عملية التزوير إلى الخيوط وإنهاء التشطيب ، يتم التحقق من كل مرحلة بأدوات دقيقة. تلبي هذه التجهيزات المتطلبات الوظيفية لـ SAE J530 و SAE J531 ، بينما تكون متوافقة مع SAE SAE J514 و ASME B16.21. يتم تصنيع المرفقين 90 درجة من النحاس النحاسي عالي الجودة ، مما يوفر بنية قوية ودائمة. نحن نقدم كل من خيارات تصاعد المصنع والشاحنات مع تكوينين مختلفين بارب لاستيعاب أحجام أنابيب كبيرة التجويف. سواء كنت تبحث عن بديل أو ترغب في ترقية نظامك ، يمكن أن تساعد Crouse-Hinds. $

الاتصال معنا

عن Legines

Legines Industrial Machinery Inc.

بصفته أحد الشركات المصنعة للتجهيزات النحاسية في الصين ، وضغط على الموردين. 45 أدوات الآلة التلقائية ، 35 أدوات الآلات CNC شبه الآلية ، وكذلك الموزعين ، الذين أصبحوا موردين مهمين لإنتاج قطع الغيار النحاسية الأمريكية في الصين ...
  • شرف
  • شرف

تعليمات & أخبار