legines.com
369ptc ذكر الكوع دوار 90 درجة

369ptc ذكر الكوع دوار 90 درجة

ميزات المنتج:
■■ كوليت النحاس
■■ Buna N O-Ring
■■ دعم أنبوب الفولاذ المقاوم للصدأ
■■ يجتمع D.O.T. FMVSS571.106
■■ يجتمع SAE J2494-3
■■ الجسم المركب - قوي ، خفيف الوزن ، مضغوط ومقاوم للتأثير
■■ تكوينات المكونات

الأسواق:
■■ شاحنة ثقيلة
■■ جَرَّار
■■ متحرك

التطبيقات:
■■ مكابح الهواء
■■ خزانات الهواء
■■ ركوب الهواء
■■ انزلاقات
■■ تضخم الإطارات
■■ خطوط الأولية والثانوية
■■ CAB Controls

اتصل بنا

تحديد

الجزء المرجعي رقم:

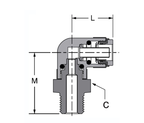
جزء# حجم الأنبوب x ذكر nptf ج م ل دبليو سعر
369PTC-4A 1/4 × 1/8 9/16 .69 .69
369PTC-4B 1/4 × 1/4 9/16 .69 1.20
369PTC-4C 1/4 × 3/8 9/16 .69 1.20
369PTC-6A 3/8 × 1/8 3/4 .99 1.13
369PTC-6B 3/8 × 1/4 3/4 .99 1.28
369PTC-6C 3/8 × 3/8 3/4 .99 1.28
369PTC-6D 3/8 × 1/2 3/4 .99 1.47
369PTC-8B 1/2 × 1/4 15/16 1.11 1.39
369PTC-6C 1/2 × 3/8 15/16 1.11 1.39
369PTC-6D 1/2 × 1/2 15/16 1.11 1.58
369PTC-10C 5/8 × 3/8 1-1/16 1.33 1.60
369PTC-10D 5/8 × 1/2 1-1/16 1.33 1.79
369ptc-12d 3/4 × 1/2 1-3/16 1.52 1.89
369ptc-12e 3/4x3/4 1-3/16 1.52 1.89

كوع 369PTC الذكور هو موصل دوار عالي الجودة ، تم اختباره بالكامل مع كوليت معدني ، ودعم أنبوب من الفولاذ المقاوم للصدأ. يجتمع D.O.T. FMVSS571.106 معايير ومعايير SAE J2494-3 لعمل الدوران السلس 360 درجة. تتميز تكوينات المكون الإضافي بجسم مركب-قوي وخفيف الوزن ومضغوط ومقاوم للتأثير.

الاتصال معنا

عن Legines

Legines Industrial Machinery Inc.

بصفته أحد الشركات المصنعة للتجهيزات النحاسية في الصين ، وضغط على الموردين. 45 أدوات الآلة التلقائية ، 35 أدوات الآلات CNC شبه الآلية ، وكذلك الموزعين ، الذين أصبحوا موردين مهمين لإنتاج قطع الغيار النحاسية الأمريكية في الصين ...
  • شرف
  • شرف

تعليمات & أخبار