legines.com
24m معجزة مشعب

24m معجزة مشعب

ميزات المنتج:
■■ كوليت النحاس
■■ Buna N O-Ring
■■ دعم أنبوب الفولاذ المقاوم للصدأ
■■ يجتمع D.O.T. FMVSS571.106
■■ يجتمع SAE J2494-3
■■ الجسم المركب - قوي ، خفيف الوزن ، مضغوط ومقاوم للتأثير
■■ تكوينات المكونات

الأسواق:
■■ شاحنة ثقيلة
■■ جَرَّار
■■ متحرك

التطبيقات:
■■ مكابح الهواء
■■ خزانات الهواء
■■ ركوب الهواء
■■ انزلاقات
■■ تضخم الإطارات
■■ خطوط الأولية والثانوية
■■ CAB Controls

اتصل بنا

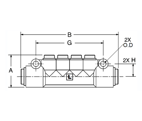
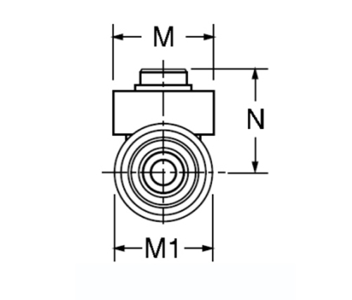
تحديد

جزء

لا.

أنبوب O.د

lnlet

أنبوب O.D

مَنفَذ

أ ب D ز ح م M1 ن
24M-4-4 1/4 1/4 1.33 3.98 .21 2.75 .53 .90 .88 .89
24M-6-4 3/8 1/4 1.33 4.00 .21 2.75 .53 .90 .88 .89
24M-6-6 3/8 3/8 1.65 6.49 .22 4.55 .60 1.02 1.02 1.33
24m-8-8 1/2 1/2 1.65 6.49 .22 4.55 .60 1.02 1.02 1.33
24M-8-6-4-4-6-8 1/2 3/8 و 1/4 1.65 6.49 .22 4.55 .60 1.02 1.02 1.17

تم تصميم 24M Presto Mawold لتوفير خدمة سهلة وسريعة وموثوقة. يوفر الجسم المركب ذو التصميم القوي وخفيف الوزن ومقاوم للأثر ومضغوط القوة مع تقليل الجزء الأكبر. تم تصميم The 24M Presto Mawold لتلبية متطلبات D.O.T FMVSS571.106 ، SAE J2494-3 لتطبيقات الضغط العالي. تسمح إمكانيات التوصيل والتشغيل بأقصى قدر من التنوع في أي تطبيق.

الاتصال معنا

عن Legines

Legines Industrial Machinery Inc.

بصفته أحد الشركات المصنعة للتجهيزات النحاسية في الصين ، وضغط على الموردين. 45 أدوات الآلة التلقائية ، 35 أدوات الآلات CNC شبه الآلية ، وكذلك الموزعين ، الذين أصبحوا موردين مهمين لإنتاج قطع الغيار النحاسية الأمريكية في الصين ...
  • شرف
  • شرف

تعليمات & أخبار