legines.com
1565 اضغط في Connect Fittings Elbow

1565 اضغط في Connect Fittings Elbow

ميزات المنتج:
■■ كوليت النحاس
■■ Buna N O-Ring
■■ دعم أنبوب الفولاذ المقاوم للصدأ
■■ يجتمع D.O.T. FMVSS571.106
■■ يجتمع SAE J2494 & SAE J2494-3

الأسواق:
■■ شاحنة ثقيلة
■■ جَرَّار
■■ متحرك

التطبيقات:
■■ مكابح الهواء
■■ خزانات الهواء
■■ ركوب الهواء
■■ انزلاقات
■■ تضخم الإطارات
■■ خطوط الأولية والثانوية

أنابيب متوافقة:
■■ SAE J844 Type A & B أنابيب نايلون

الجزء المرجعي رقم:
AQ65DOT -165PMT -1865 -DQ65DOT -1565 -DOT

اتصل بنا

تحديد

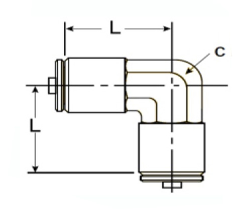
جزء# أنبوب O.D ج ل
1565-DOT-4 1/4 3/8 .92
1565-DOT-6 3/8 1/2 .96
1565-DOT-8 1/2 5/8 1.16
1565-DOT-10 5/8 11/16 1.19
1565-DOT-12 3/4 15/16 1.40

ادفع في تركيب SAE J844 Type A و B و C و D أنابيب نايلون. يستخدم مع Buna O-Ring وأنبوب الفولاذ المقاوم للصدأ للسماح بتركيب آمن للخراطيم مثل فرامل الهواء وخطوط التوجيه المتأكمية والمزيد. يتم تصنيع التركيب بمواد عالية الجودة لضمان الوظائف المناسبة والعمر الطويل. لديها كوليت نحاس. يتم تصنيع هذا التركيب بواسطة Tusa P/N: 1565-Dot.Pneumatic Connect يتم استخدام تركيبات الاتصال بالاقتران مع الأنابيب لإنشاء مجموعة خالية من العوائق أو دائمة أو مؤقتة تستخدم المكونات الهوائية القياسية. .

الاتصال معنا

عن Legines

Legines Industrial Machinery Inc.

بصفته أحد الشركات المصنعة للتجهيزات النحاسية في الصين ، وضغط على الموردين. 45 أدوات الآلة التلقائية ، 35 أدوات الآلات CNC شبه الآلية ، وكذلك الموزعين ، الذين أصبحوا موردين مهمين لإنتاج قطع الغيار النحاسية الأمريكية في الصين ...
  • شرف
  • شرف

تعليمات & أخبار