legines.com
أنبوب الفولاذ المقاوم للصدأ حلمة سداسية 2520

أنبوب الفولاذ المقاوم للصدأ حلمة سداسية 2520

الحد الأقصى لضغط العمل 150 رطل في 70 درجة فهرنهايت ، المادة: 304 من الفولاذ المقاوم للصدأ
الشكل: جلبة مخفض (ذكر X أنثى) ، الاتصال: NPT-NPT ، القياس: اختياري
مؤشر ترابط NPT لإنشاء أختام أكثر إحكاما من الخيوط المستقيمة
يحتوي على خيوط NPT الذكور على نهاية واحدة وخيوط NPT الإناث من جهة أخرى للاتصال بأنثى وأنبوب ملولب الذكور أو التركيب.
يقوم هذا المحول بتركيب الأنابيب أو التجهيزات بأنواع أو أقطار أو مواد مختلفة

التطبيق النموذجي:
الشحوم والتبريد والأجهزة والنظام الهيدروليكي.

المزايا:
مؤشرات ترابط أنابيب Driseal (BSPT (R)/BSP (G). نطاق الأحجام والتكوينات

اتصل بنا

تحديد

جزء#

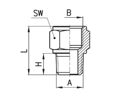
حجم الموضوع A × ب

جنوب غرب

ل

ح

2520-AA

R1/8 × G1/8

13

17.5

7.5

2520-ab

R1/8 × G1/4 17 19.0 7.5

2520-AC

R1/8 × G3/8 20 20.0

7.5

2520-BB

R1/4 × G1/4 17 22.5 11.0
2520-BC R1/4 × G3/8 20 23.5 11.0
2520-BD R1/4 × G1/2 24 27.5 11.0
2520 سم مكعب R3/8 × G3/8 20 24.0 11.5

2520-CD

R3/8 × G1/2 24 28.0 11.5

2520-DD

R1/2 × G1/2 24 30.5 14.0

أنبوب الفولاذ المقاوم للصدأ هو مادة مرنة يمكن ثنيها وتشكيلها لتناسب العديد من أنواع تطبيقات السباكة المختلفة. يستخدم عادة لنقل السوائل مثل الماء والهواء والبخار والوقود. أحد أكثر الاستخدامات شيوعًا لأنابيب الفولاذ المقاوم للصدأ في المطابخ التجارية ، حيث تتميز أجهزة مثل المواقد أنابيب ¾ بوصة أو 2 بوصة لتوزيع الحرارة في جميع أنحاء المطبخ. تستخدم العديد من المنازل السكنية أيضًا أنبوب نحاسي بحجم بوصة لحنفياتها الخارجية ، مما يسمح للتدفق من خط التوريد إلى المنزل بسرعة.

الاتصال معنا

عن Legines

Legines Industrial Machinery Inc.

بصفته أحد الشركات المصنعة للتجهيزات النحاسية في الصين ، وضغط على الموردين. 45 أدوات الآلة التلقائية ، 35 أدوات الآلات CNC شبه الآلية ، وكذلك الموزعين ، الذين أصبحوا موردين مهمين لإنتاج قطع الغيار النحاسية الأمريكية في الصين ...
  • شرف
  • شرف

تعليمات & أخبار