legines.com
BSP من الفولاذ المقاوم للصدأ شارع الكوع تجهيزات

BSP من الفولاذ المقاوم للصدأ شارع الكوع تجهيزات

BSP Stains Steel Street Elbowts 2020

التطبيق النموذجي:
الشحوم والتبريد والأجهزة والنظام الهيدروليكي.

المزايا:
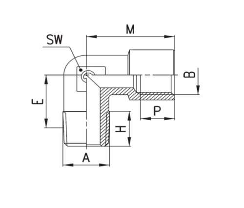
مؤشرات ترابط أنابيب Driseal (BSPT (R)/BSP (G). نطاق الأحجام والتكوينات

اتصل بنا

تحديد

جزء#

حجم الموضوع A × ب

جنوب غرب

م

ه

2020-أ R1/8 × G/18 11 19 16
2020-ب R1/4 × G1/4 12 23 20
2020-C R3/8 × G3/8 15 25 22
2020-d R1/2 × G1/2 20 31 28
2020-ه R3/4 × G3/4 24 36.5 30

الاتصال معنا

عن Legines

Legines Industrial Machinery Inc.

بصفته أحد الشركات المصنعة للتجهيزات النحاسية في الصين ، وضغط على الموردين. 45 أدوات الآلة التلقائية ، 35 أدوات الآلات CNC شبه الآلية ، وكذلك الموزعين ، الذين أصبحوا موردين مهمين لإنتاج قطع الغيار النحاسية الأمريكية في الصين ...
  • شرف
  • شرف

تعليمات & أخبار