legines.com
64# تجهيزات ضغط Tee Brass Union

64# تجهيزات ضغط Tee Brass Union

تجهيزات ضغط Tee Union النحاسية 64#

التطبيقات: الأسواق:
■■ الخطوط الجوية ■■ صناعي
■■ خطوط التشحيم ■■ التغليف
■■ خطوط التبريد ■■ هوائي
■■ صناعة ■■ الطباعة
■■ الآلات
■■ الضواغط
■■ نقل السوائل

ميزات المنتج:
■■ يفي بالمتطلبات الوظيفية لـ SAE J-512
■■ UL مدرجة للسائل القابل للاشتعال
■■ الأكمام النحاسية أو الأسيتال المتاحة
■■ لا تحضير أنبوب
■■ الأشكال المزورة والبثق

الجزء المرجعي رقم:
64 -164C -S64 -64A

اتصل بنا

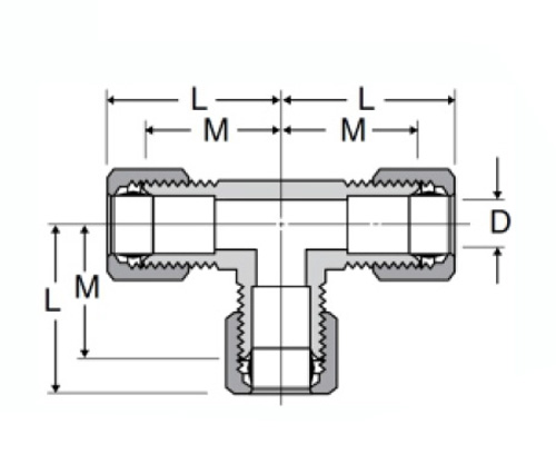
تحديد

جزء#

حجم الأنبوب O.د

م

م

D

64-2

1/8

/

.53

.94

64-3

3/16

/

.59

.125

64-4

1/4

/

.627

.188

64-5

5/16

/

.65

.250

64-6

3/8

/

.73

.312

64-8

1/2

/

.94

.406

64-10

5/8

/

1.06

.500

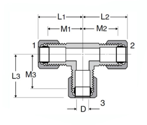
جزء#

حجم الأنبوب

M1

M2

M3

64-4-4-6

1/4x1/4x3/8

.69

.69

.75

64-4-6-4

1/4x3/8x1/4

.69

.75

.69

64-6-6-4

3/8x3/8x1/4

.75

.75

.69

64-8-8-6

1/2x1/2x3/8

.94

.94

.81

64-10-10-8

5/8x5/8x1/2

1.06

1.06

1.06

*المرجع رقم 060401 BA

تم إدراج تركيبات الانضغاطات التي تبلغ من العمر 64 نقطة من النحاس من أجل السائل القابل للاشتعال وتلبية المتطلبات الوظيفية لـ SAE J-512. متوفرة في الأشكال المزورة أو المقذوف ، فهي متوفرة مع كل من الخيوط المهيلية والمقبس وإما في الأكمام النحاسية أو الأسيتال. متوفر مع الأكمام النحاسية أو الأسيتال ، تم تصميم جميع المكونات لسهولة التثبيت ، لذلك يسير التثبيت بسلاسة.

الاتصال معنا

عن Legines

Legines Industrial Machinery Inc.

بصفته أحد الشركات المصنعة للتجهيزات النحاسية في الصين ، وضغط على الموردين. 45 أدوات الآلة التلقائية ، 35 أدوات الآلات CNC شبه الآلية ، وكذلك الموزعين ، الذين أصبحوا موردين مهمين لإنتاج قطع الغيار النحاسية الأمريكية في الصين ...
  • شرف
  • شرف

تعليمات & أخبار