legines.com
79# تركيبات الضغط النحاس 45 ° الذكور كوع

79# تركيبات الضغط النحاس 45 ° الذكور كوع

النحاس 45 ° ذكور كوع تجهيزات 79#

التطبيقات: الأسواق:
■■ الخطوط الجوية ■■ صناعي
■■ خطوط التشحيم ■■ التغليف
■■ خطوط التبريد ■■ هوائي
■■ صناعة ■■ الطباعة
■■ الآلات
■■ الضواغط
■■ نقل السوائل

ميزات المنتج:
■■ يفي بالمتطلبات الوظيفية لـ SAE J-512
■■ UL مدرجة للسائل القابل للاشتعال
■■ الأكمام النحاسية أو الأسيتال المتاحة
■■ لا تحضير أنبوب
■■ الأشكال المزورة والبثق

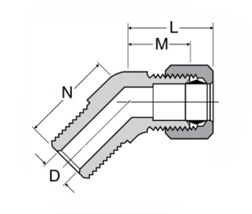
الجزء المرجعي رقم:
273 -179C -74 -77 -6945

اتصل بنا

تحديد

جزء#

أنبوب O.د × ذكر نPTF

N

م

D

79-3A

3/16 × 1/8

.61

.43

.125

79-4A

1/4 × 1/8

.61

.43

.189

79-4 ب

1/4 × 1/4

.83

.59

.189

79-5A

5/16 × 1/8

.66

.66

.234

79-5 ب

5/16 × 1/4

.83

.66

.250

79-6A

3/8 × 1/8

.66

.62

.312

79-6B

3/8 × 1/4

.83

.62

.312

79-6C

3/8 × 3/8

.88

.75

.312

79-8C

1/2 × 3/8

.94

.75

.406

79-8D

1/2 × 1/2

1.13

.94

.406

*المرجع رقم 060302 BA

يتم تصنيع تجهيزات الضغط من النحاس وتجميعها باستخدام طابق الضغط والجوز. توفر المغزل المزور المقذوف القوة في جميع الاتجاهات للتركيب الدائم.
تعتبر هذه تركيبات الضغط مثالية لأنابيب السباكة ذات النهايات الناعمة والمعيارية والقابلة للانفصال. كما أنها تستخدم كتجهيزات أنابيب الموصل في العديد من الصناعات المختلفة بما في ذلك التطبيقات التجارية والصناعية والسيارات والبحرية.

الاتصال معنا

عن Legines

Legines Industrial Machinery Inc.

بصفته أحد الشركات المصنعة للتجهيزات النحاسية في الصين ، وضغط على الموردين. 45 أدوات الآلة التلقائية ، 35 أدوات الآلات CNC شبه الآلية ، وكذلك الموزعين ، الذين أصبحوا موردين مهمين لإنتاج قطع الغيار النحاسية الأمريكية في الصين ...
  • شرف
  • شرف

تعليمات & أخبار