legines.com
65# 90 ° ذكور يونيون كوع تجهيزات ضغط

65# 90 ° ذكور يونيون كوع تجهيزات ضغط

التطبيقات: الأسواق:
■■ الخطوط الجوية ■■ صناعي
■■ خطوط التشحيم ■■ التغليف
■■ خطوط التبريد ■■ هوائي
■■ صناعة ■■ الطباعة
■■ الآلات
■■ الضواغط
■■ نقل السوائل

ميزات المنتج:
■■ يفي بالمتطلبات الوظيفية لـ SAE J-512
■■ UL مدرجة للسائل القابل للاشتعال
■■ الأكمام النحاسية أو الأسيتال المتاحة
■■ لا تحضير أنبوب
■■ الأشكال المزورة والبثق

الجزء المرجعي رقم:
65 -265 -65a -S65

اتصل بنا

تحديد

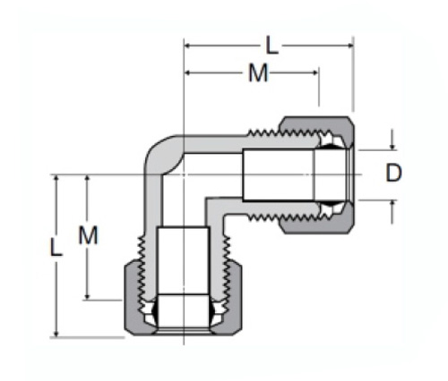
PRT# حجم الأنبوب O.د م D
65-3 3/16 .61 .125
65-4 1/4 .66 .188
65-5 5/16 .69 .250
65-6 3/8 .72 .312
65-8 1/2 .94 .406
65-10 5/8 1.06 .500
65-12 3/4 1.19 .562
65-6-4 3/8x1/4 .75/.69 .125
65-8-6 1/2x3/8 .94/.88 .312

تصل إلى 6 مرات أخف وزنا من التركيبات المزورة ، وتتميز سلسلة 65 بجسم أسيتال أو نحاسي خفيف الوزن ومقاوم للتآكل ودبوس مركز مزور. يتيح لك هذا التركيب تكييف نهاية الأنبوب بزاوية 90 درجة. هذا التركيب متوفر في مواد متعددة وتشطيبات بما في ذلك النحاس والفولاذ المقاوم للصدأ والخلات. يتم ختم كل تركيب برقم جزء ، مما يضمن تحديد هوية سهلة في جميع النقاط في سلسلة التوريد. عادةً ما يتم استخدام التجميع الفرعي للكوع في أنظمة الوقود حيث يوصى بتوصيلات أنبوب النحاس إلى أنبوب النحاس. يمكن أن يختلف عدد مؤشرات الترابط المطلوبة لجعل الاتصال بناءً على مادة الأنابيب وسمك الجدار وملعب الخيط.

الاتصال معنا

عن Legines

Legines Industrial Machinery Inc.

بصفته أحد الشركات المصنعة للتجهيزات النحاسية في الصين ، وضغط على الموردين. 45 أدوات الآلة التلقائية ، 35 أدوات الآلات CNC شبه الآلية ، وكذلك الموزعين ، الذين أصبحوا موردين مهمين لإنتاج قطع الغيار النحاسية الأمريكية في الصين ...
  • شرف
  • شرف

تعليمات & أخبار