legines.com
72# النحاس الذكور يركض تي شيرتات تي شيرت

72# النحاس الذكور يركض تي شيرتات تي شيرت

تجهيزات ضغط النحاس النحاسية 71

التطبيقات: الأسواق:
■■ الخطوط الجوية ■■ صناعي
■■ خطوط التشحيم ■■ التغليف
■■ خطوط التبريد ■■ هوائي
■■ صناعة ■■ الطباعة
■■ الآلات
■■ الضواغط
■■ نقل السوائل

ميزات المنتج:
■■ يفي بالمتطلبات الوظيفية لـ SAE J-512
■■ UL مدرجة للسائل القابل للاشتعال
■■ الأكمام النحاسية أو الأسيتال المتاحة
■■ لا تحضير أنبوب
■■ الأشكال المزورة والبثق

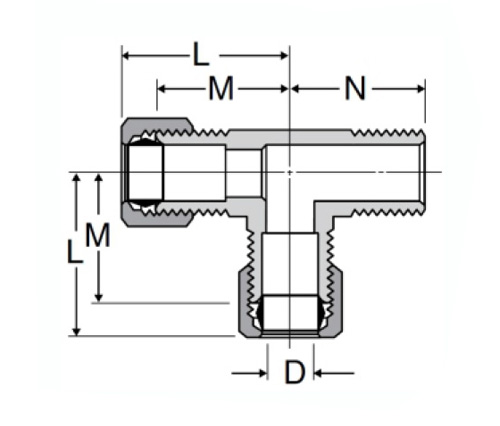
71 -171C -71A -S71

اتصل بنا

تحديد

جزء#

أنبوب O.د × ذكر نPTF

م

N

D

71-3A

3/16 × 1/8

.63

.69

.125

71-4A

1/4 × 1/8

.63

.75

.188

71-4B

1/4 × 1/4

.69

.88

.188

71-5A

5/16 × 1/8

.72

.75

.250

71-5B

5/16 × 1/4

.75

.88

.250

71-6A

3/8 × 1/8

.75

.75

.312

71-6B

3/8 × 1/4

.79

.87

.312

71-6C

3/8 × 3/8

.88

1.00

.330

71-8C

1/2 × 3/8

.94

1.09

.406

71-8D

1/2 × 1/2

.97

1.19

.406

71-10D

5/8 × 1/2

1.06

1.31

.500

تفي تجهيزات الضغط من الذكور 72# النحاسية بمتطلبات وظيفية لـ SAE J-512 وهي مدرجة في السائل القابل للاشتعال. لا تحتوي هذه التركيبات على تحضير أنبوب ، وأشكال مزورة وقرية. وهي متوفرة في مجموعة من المواد بما في ذلك الأكمام النحاسية والبلاستيك والمعادن. إنه يتميز بأكمام نحاسية أو أسيتال ويمكن استخدامها في مجموعة متنوعة من التطبيقات مثل العوامل الاستثمارية والنقل وأنظمة الوقود. لا يلزم تحضير الأنبوب.

الاتصال معنا

عن Legines

Legines Industrial Machinery Inc.

بصفته أحد الشركات المصنعة للتجهيزات النحاسية في الصين ، وضغط على الموردين. 45 أدوات الآلة التلقائية ، 35 أدوات الآلات CNC شبه الآلية ، وكذلك الموزعين ، الذين أصبحوا موردين مهمين لإنتاج قطع الغيار النحاسية الأمريكية في الصين ...
  • شرف
  • شرف

تعليمات & أخبار