legines.com
352 النحاس النحاس مقلوب المضيق 45 ° كوع الذكور

352 النحاس النحاس مقلوب المضيق 45 ° كوع الذكور

ميزات المنتج:
■■ كل البناء النحاسي
■■ UL مدرجة للسائل والغاز القابل للاشتعال
■■ يفي بالمتطلبات الوظيفية لـ SAE J512
■■ الصلب من الصلب للاقتصاد

الأسواق: التطبيقات:
■■ تكييف ■■ خطوط التبريد
■■ البحرية ■■ خطوط الفرامل
■■ متحرك ■■ خطوط الوقود
■■ محركات

أنابيب متوافقة:
■■ نحاس
■■ النحاس
■■ الألومنيوم
■■ أنابيب هيدروليكية فولاذية ملحومة

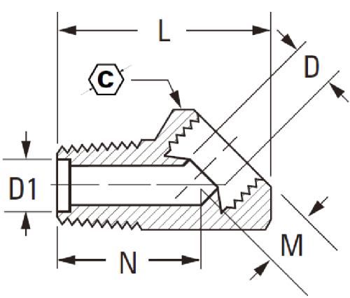
الجزء المرجعي رقم:
154 -2352 -259IFHD -352 -94W

اتصل بنا

تحديد

جزء#

أنبوب O.د × الموضوع

ج

D

ل

352-3A

3/16 × 1/8 17/32 .125 .88

352-4A

1/4 × 1/8 9/16 .188 .94

352-5A

5/16 × 1/8 5/8 .219 1.00

352-5 ب

5/16 × 1/4 5/8 .219 1.16

352-6B

3/8 × 1/4 25/32 .281 1.34

352-8C

1/2 × 3/8 7/8 .406 1.44

*المرجع رقم 040302 BA

تم تصميم كوع الذكور 352 النحاس المقلوب 45 درجة (SAE J512) للاستخدام في تكييف الهواء وخطوط التبريد والتطبيقات البحرية والهاتف المحمول. يحتوي هذا الكوع على مضيق من الذكور مع الجوز المنزلق لسهولة التثبيت. تم بناء كوع الإضاءة SAE J512 45 درجة من جميع النحاس باستثناء الجوز الصلب الذي يوفر المتانة والقدرة على تحمل التكاليف.
تم تصميم المرفق الذكور 352 النحاس المقلوب 45 درجة للغازات والسوائل ، ويلبي المتطلبات الوظيفية لـ SAE J512 في الحجم 1/8 "إلى 1". قياس .94 "في القطر الخارجي.
هذا تركيب أنبوب 3 × 6 بوصة ويوفر منحنى كوع 45 درجة.  هذا التركيب مناسب لتكييف الهواء والتبريد والتطبيقات الهيدروليكية ، وكذلك الصناعات المتنقلة أو البحرية.

الاتصال معنا

عن Legines

Legines Industrial Machinery Inc.

بصفته أحد الشركات المصنعة للتجهيزات النحاسية في الصين ، وضغط على الموردين. 45 أدوات الآلة التلقائية ، 35 أدوات الآلات CNC شبه الآلية ، وكذلك الموزعين ، الذين أصبحوا موردين مهمين لإنتاج قطع الغيار النحاسية الأمريكية في الصين ...
  • شرف
  • شرف

تعليمات & أخبار