legines.com
502 كوع اتحاد الاتحاد

502 كوع اتحاد الاتحاد

ميزات المنتج:
■■ كل البناء النحاسي
■■ UL مدرجة للسائل والغاز القابل للاشتعال
■■ يفي بالمتطلبات الوظيفية لـ SAE J512
■■ الصلب من الصلب للاقتصاد

الأسواق: التطبيقات:
■■ تكييف ■■ خطوط التبريد
■■ البحرية ■■ خطوط الفرامل
■■ متحرك ■■ خطوط الوقود
■■ محركات

أنابيب متوافقة:
■■ نحاس
■■ النحاس
■■ الألومنيوم
■■ أنابيب هيدروليكية فولاذية ملحومة

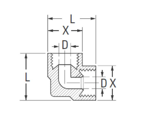
الجزء المرجعي رقم:
502 -450

اتصل بنا

تحديد

جزء#

أنبوب O.د

D

م

ل

502-4 1/4 .188 .53 .77
*502-5 5/16 .219 .59 .86
*502-6 3/8 .281 .72 1.04

*ليست قياسية

*المرجع رقم 040201 BA

إن كوع Union Union المقلوب 502 هو اتحاد التوهج الذي يوفر اتصالًا متوافقًا عالميًا للأنابيب على الجانب السفلي من الجزء. إنه يحتوي على جميع الإنشاءات النحاسية ، وهو مدرج في القائمة السائلة والغاز القابلة للاشتعال ، ويفي بالمتطلبات الوظيفية لـ SAE J512. الصلب الجوز للاقتصاد يرجى التحقق من المرجع لا.
هذا الكوع الاتحاد هو تركيب السباكة المستخدمة في أنظمة التبريد وتكييف الهواء. عادة ما يتم توصيله بالنحاس أو الفضة أو النحاس. تتضمن التركيبات المشوقة ثقوب الصرف للمساعدة في تصريف التكثيف من الأنابيب.

الاتصال معنا

عن Legines

Legines Industrial Machinery Inc.

بصفته أحد الشركات المصنعة للتجهيزات النحاسية في الصين ، وضغط على الموردين. 45 أدوات الآلة التلقائية ، 35 أدوات الآلات CNC شبه الآلية ، وكذلك الموزعين ، الذين أصبحوا موردين مهمين لإنتاج قطع الغيار النحاسية الأمريكية في الصين ...
  • شرف
  • شرف

تعليمات & أخبار