legines.com
105L أنبوب فولاذ طويل الخيط الجوز

105L أنبوب فولاذ طويل الخيط الجوز

ميزات المنتج:
■■ كل البناء النحاسي
■■ UL مدرجة للسائل والغاز القابل للاشتعال
■■ يفي بالمتطلبات الوظيفية لـ SAE J512
■■ الصلب من الصلب للاقتصاد

الأسواق: التطبيقات:
■■ تكييف ■■ خطوط التبريد
■■ البحرية ■■ خطوط الفرامل
■■ متحرك ■■ خطوط الوقود
■■ محركات

أنابيب متوافقة:
■■ نحاس
■■ النحاس
■■ الألومنيوم
■■ أنابيب هيدروليكية فولاذية ملحومة

الجزء المرجعي رقم:

اتصل بنا

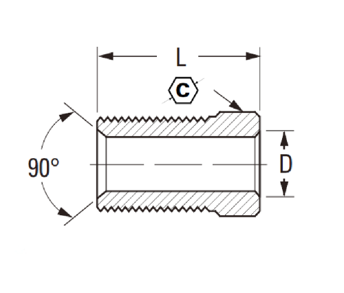
تحديد

جزء#

أنبوب O.د

ج

D

ل

105L-3

3/16 3/8 .196

.844

105L-4

1/4 7/16 .257 .812

هذا عبارة عن بناء نحاسي ، طويل للأنبوب يصل إلى 1/4 "مادة. إنه يتميز بـ UL مدرجًا للسائل القابل للاشتعال
هل تبحث عن صواميل أنابيب من الفولاذ المقاوم للصدأ؟ هذه القائمة لك! يعد Nut Twhice Long Twhice Long Long 105L ترقية رائعة لنظام السباكة الخاص بك المصممة من جميع البناء النحاسي ويلبي المتطلبات الوظيفية لـ SAE J512. يأتي بأحجام كثيرة ، لذا تأكد من التحقق منها.

الاتصال معنا

عن Legines

Legines Industrial Machinery Inc.

بصفته أحد الشركات المصنعة للتجهيزات النحاسية في الصين ، وضغط على الموردين. 45 أدوات الآلة التلقائية ، 35 أدوات الآلات CNC شبه الآلية ، وكذلك الموزعين ، الذين أصبحوا موردين مهمين لإنتاج قطع الغيار النحاسية الأمريكية في الصين ...
  • شرف
  • شرف

تعليمات & أخبار