legines.com
702 تركيبات Tee Tee Tee Tee مقلوب

702 تركيبات Tee Tee Tee Tee مقلوب

ميزات المنتج:
■■ كل البناء النحاسي
■■ UL مدرجة للسائل والغاز القابل للاشتعال
■■ يفي بالمتطلبات الوظيفية لـ SAE J512
■■ الصلب من الصلب للاقتصاد

الأسواق: التطبيقات:
■■ تكييف ■■ خطوط التبريد
■■ البحرية ■■ خطوط الفرامل
■■ متحرك ■■ خطوط الوقود
■■ محركات

أنابيب متوافقة:
■■ نحاس
■■ النحاس
■■ الألومنيوم
■■ أنابيب هيدروليكية فولاذية ملحومة

الجزء المرجعي رقم:
244ifhd -702 -441

اتصل بنا

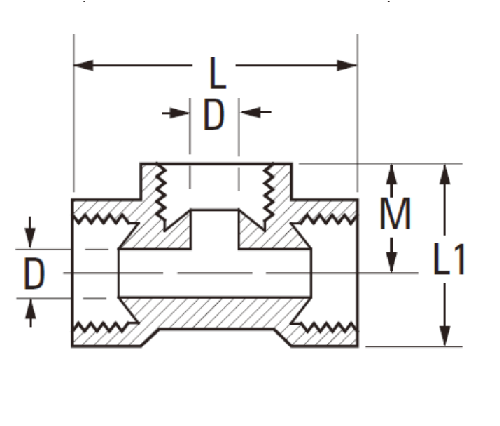
تحديد

جزء#

أنبوب O.د

D

م

ل

702-2 1/8 .078 .330 .94
702-3 3/16 .125 .390 1.09
702-4 1/4 .188 .420 1.13
702-5 5/16 .219 .450 1.25
702-6 3/8 .281 .560 1.48
702-8 1/2 .406 .937 1.76

*المرجع رقم 040401 BA

يتم استخدام تركيب Tee Tee Tee المقلوب المقلوب لتوصيل أنببين. يسمح هذا التركيب بالتدفق من اتصال واحد للخروج من الاتصال المعاكس دون تقليل الضغط أو التدفق. إنه يحتوي على بناء نحاسي متشابك تمامًا ويتميز بتصميم متوافق مع SAE J512 ، مما يسمح له بمقاومة التآكل. يمكن استخدام نقطة الإنطلاق المقلوبة في كل من التطبيقات التجارية والصناعية مثل تكييف الهواء وخطوط التبريد والمحركات البحرية وخطوط الفرامل وخطوط الوقود المتنقلة.
تم تصنيع تجهيزات Tee Tee المقلوبة 702 من النحاس ، وتلبية متطلبات SAE J512. إنه يحتوي على جوز فولاذي للاقتصاد ، ويمكن استخدامه في خطوط التجمد ، وسائل الفرامل ، ومياه تبريد المحرك البحرية ، و goo.

الاتصال معنا

عن Legines

Legines Industrial Machinery Inc.

بصفته أحد الشركات المصنعة للتجهيزات النحاسية في الصين ، وضغط على الموردين. 45 أدوات الآلة التلقائية ، 35 أدوات الآلات CNC شبه الآلية ، وكذلك الموزعين ، الذين أصبحوا موردين مهمين لإنتاج قطع الغيار النحاسية الأمريكية في الصين ...
  • شرف
  • شرف

تعليمات & أخبار