legines.com
3200# تجهيزات محول الموسع

3200# تجهيزات محول الموسع

ميزات المنتج: الأسواق:
■■ كل البناء النحاسي ■■ صناعي
■■ يلبي المتطلبات الوظيفية ■■ بناء
SAE J530 و SAE J531 ■■ شاحنة ثقيلة
■■ المواضيع التي تم إجراؤها وفقًا لمعايير درايسيل ■■ متحرك
■■ كل من المهروبات والخروج المتوفرة ■■ مصنع/أتمتة العملية

التطبيقات: أنابيب متوافقة:
■■ الخطوط الجوية ■■ نحاس
■■ خط المياه ■■ النحاس
■■ خطوط التبريد ■■ أنبوب الحديد

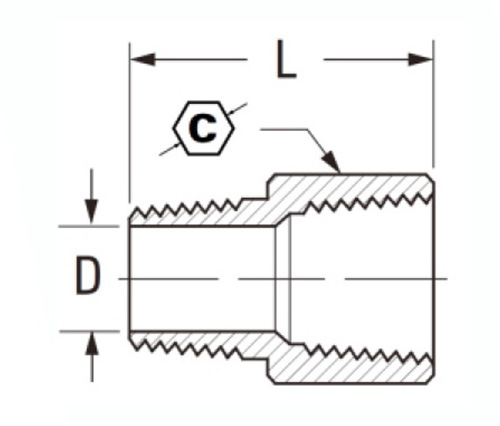
تحديد:
يتراوح ضغط ما يصل إلى 1000 رطل واحد
نطاق درجة الحرارة -65˚ إلى 250 درجة فهرنهايت

التطبيق النموذجي:
الشحوم والوقود ، LP والغاز الطبيعي ، الثلاجة.

المطابقة:
يلبي المواصفات والمعايير ASA و ASME و SAE.

الجزء المرجعي رقم:
375 -222p -3200 -R1 -120ah -120b

اتصل بنا

تحديد

جزء#

حجم الموضوع

ج

و

ل

3200-AA

F1/8 × M1/8

1/2

.219

.88

3200L-AA

F1/8 × M1/8

9/16

.219

.83

3200-با

F1/4 × M1/8

3/4

.219

1.06

3200L-BA

F1/4 × M1/8

11/16

.219

.94

3200LL-با

F1/4 × M1/8

5/8

.219

.94

3200-BB

F1/4 × M1/4

3/4

.312

1.25

3200L-BB

F1/4 × M1/4

11/16

.312

1.00

3200LL-BB

F1/4 × M1/4

5/8

.312

1.00

3200-CA

F3/8 × M1/8

7/8

.219

1.00

3200-CB

F3/8 × M1/4

7/8

.312

1.25

3200L-CB

F3/8 × M1/4

13/16

.312

1.12

3200 سم مكعب

F3/8 × M3/8

7/8

.438

1.24

3200L-CC

F3/8 × M3/8

13/16

.438

1.12

3200 ديسيبل

F1/2 × M1/4

1-1/16

.312

1.46

3200-DC

F1/2 × M3/8

1-1/16

.438

1.47

3200L-DC

F1/2 × M3/8

15/16

.438

1.19

3200-DD

F1/2 × M1/2

1-1/16

.562

1.66

3200L-DD

F1/2 × M1/2

15/16

.562

1.31

3200-EC

F3/4 × M3/8

1-1/4

.438

1.59

3200-ED

F3/4 × M1/2

1-1/4

.563

1.69

3200-ee

F3/4 × M3/4

1-1/4

.750

1.69

*ل: الضوء

*المرجع No.130139

تصنيع تجهيزات المحول من كل من المهرجانات والخروجات وتوافق مع مجموعة واسعة من الأنابيب ، بما في ذلك خطوط الهواء وخطوط المياه ، إلخ. متوافق مع كل من أنابيب النحاس والنحاس ، يمكن لهذا المنتج التعامل مع نطاق ضغط يصل إلى 1000 رطل. تم تصنيع جميع التجهيزات في الولايات المتحدة الأمريكية. تم تصميم سلسلة 3200 - Series 200 Adapter By RSEs لتمديد أطوال الأنابيب. إن البناء الدائم ، كل النحاس النحاسي يجعل هذه الموصلات مثالية للتطبيقات الصناعية والشاحنات والهاتف المحمول. يمكن لهذه التركيبات توصيل أي حجم أنبوب بحجم 2 بوصة وله نطاق ضغط يتراوح بين 500-1000 رطل ، مع درجات حرارة تتراوح من -65 إلى 250 درجة فهرنهايت. متوفر أيضًا بأحجام من 1/8 "حتى 6". تم تصميم محول الموسع 3200# للتطبيقات ذات أحجام الأنابيب من 1/2 "إلى 2". إنه يتميز بجسم مشوش مصنوع من البرونز يوفر الحماية ضد التآكل ، بحيث يمكن استخدام التركيب في مختلف مستويات ضغط الماء. الطرف الأنثوي ملولب وله ثلاثة مسامير محددة.

الاتصال معنا

عن Legines

Legines Industrial Machinery Inc.

بصفته أحد الشركات المصنعة للتجهيزات النحاسية في الصين ، وضغط على الموردين. 45 أدوات الآلة التلقائية ، 35 أدوات الآلات CNC شبه الآلية ، وكذلك الموزعين ، الذين أصبحوا موردين مهمين لإنتاج قطع الغيار النحاسية الأمريكية في الصين ...
  • شرف
  • شرف

تعليمات & أخبار