legines.com
3350# 45 شارع شارع الكوع تجهيزات أنابيب النحاس

3350# 45 شارع شارع الكوع تجهيزات أنابيب النحاس

ميزات المنتج: الأسواق:
■■ كل البناء النحاسي ■■ صناعي
■■ يلبي المتطلبات الوظيفية ■■ بناء
SAE J530 و SAE J531 ■■ شاحنة ثقيلة
■■ المواضيع التي تم إجراؤها وفقًا لمعايير درايسيل ■■ متحرك
■■ كل من المهروبات والخروج المتوفرة ■■ مصنع/أتمتة العملية

التطبيقات: أنابيب متوافقة:
■■ الخطوط الجوية ■■ نحاس
■■ خط المياه ■■ النحاس
■■ خطوط التبريد ■■ أنبوب الحديد

تحديد:
يتراوح ضغط ما يصل إلى 1000 رطل واحد
نطاق درجة الحرارة -65˚ إلى 250 درجة فهرنهايت

التطبيق النموذجي:
الشحوم والوقود ، LP والغاز الطبيعي ، الثلاجة.

المطابقة:
يلبي المواصفات والمعايير ASA و ASME و SAE.

الجزء المرجعي رقم:
306 -3350 -2214p -224 -124a

اتصل بنا

تحديد

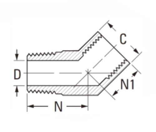
جزء# حجم الموضوع ج د ن N1
3350-أ 1/8 × 1/8 9/16 .219 .50 .38
3350 ب 1/4 × 1/4 11/16 .315 .74 .56
3350-C 3/8 × 3/8 13/16 .438 .78 .56
3350-D 1/2 × 1/2 1 " .562 1.00 .76
3350-ه 3/4 × 3/4 1 "-1/4 .750 1.06 .75

*المرجع No.130339

3350 عبارة عن تركيب على شكل شارع 45 درجة. تم تصنيع التركيب لاستخدامه مع مجموعة متنوعة من مواد الأنابيب المختلفة ويمكنها تحمل ما يصل إلى 1000 رطل. كما أن لديها نطاق درجة حرارة التشغيل بين -65 درجة و 250 درجة فهرنهايت. كوع الشارع هو تركيب أنبوب يحتوي على خيط أنابيب على طرف واحد ، ويحتوي الطرف الآخر على منحنى 90 درجة في الأنبوب. يتم استخدام المرفقين في الشوارع في العديد من الصناعات المختلفة من السباكة إلى النقل. يتم تصنيع المرفقين في الشوارع في تكوين الإناث أو الذكور لزيادة تدفق السوائل أو الغازات على مجموعة من الضغوط ودرجات الحرارة وأحجام الخطوط حسب الحاجة من قبل العميل. .

الاتصال معنا

عن Legines

Legines Industrial Machinery Inc.

بصفته أحد الشركات المصنعة للتجهيزات النحاسية في الصين ، وضغط على الموردين. 45 أدوات الآلة التلقائية ، 35 أدوات الآلات CNC شبه الآلية ، وكذلك الموزعين ، الذين أصبحوا موردين مهمين لإنتاج قطع الغيار النحاسية الأمريكية في الصين ...
  • شرف
  • شرف

تعليمات & أخبار