legines.com
3600# تجهيزات التجهيزات النحاسية تجهيزات الأنابيب النحاسية

3600# تجهيزات التجهيزات النحاسية تجهيزات الأنابيب النحاسية

ميزات المنتج: الأسواق:
■■ كل البناء النحاسي ■■ صناعي
■■ يلبي المتطلبات الوظيفية ■■ بناء
SAE J530 و SAE J531 ■■ شاحنة ثقيلة
■■ المواضيع التي تم إجراؤها وفقًا لمعايير درايسيل ■■ متحرك
■■ كل من المهروبات والخروج المتوفرة ■■ مصنع/أتمتة العملية

التطبيقات: أنابيب متوافقة:
■■ الخطوط الجوية ■■ نحاس
■■ خط المياه ■■ النحاس
■■ خطوط التبريد ■■ أنبوب الحديد

تحديد:
يتراوح ضغط ما يصل إلى 1000 رطل واحد
نطاق درجة الحرارة -65˚ إلى 250 درجة فهرنهايت

التطبيق النموذجي:
الشحوم والوقود ، LP والغاز الطبيعي ، الثلاجة.

المطابقة:
يلبي المواصفات والمعايير ASA و ASME و SAE.

الجزء المرجعي رقم:
2224p -3600 -T9 -X106 -226 -329 -128 -28281 ~ 28285

اتصل بنا

تحديد

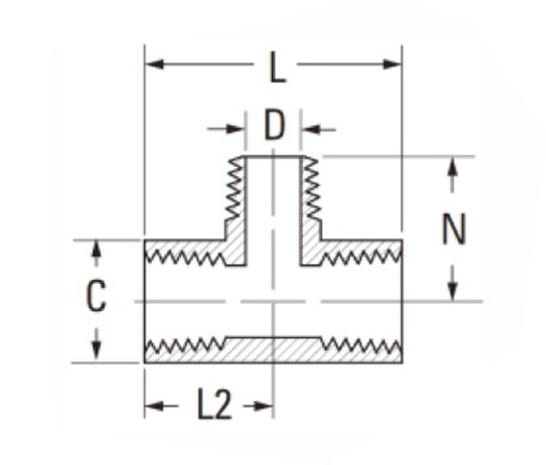
جزء# حجم الموضوع ج د L2 ن
3600-أ F1/8 × M1/8 9/16 .219 1.10 .66
3600 ب F1/4 × M1/4 11/16 .315 1.56 .91
3600 ج F3/8 × M3/8 13/16 .438 1.68 .97
3600-D F1/2 × M1/2 1 " .562 2.18 1.25
3600-ه F3/4 × M3/4 1 "-1/4 .750 2.31 1.38

*المرجع No.130425

تم تصنيع تجهيزات تي شباك الفرع الشاق من النحاس الثقيل ، المصنعة إلى معايير SAE J530 و SAE J531. وهي متوفرة في كل من المطروق والخروج ، مما يمنحنا التنوع لتقديم مجموعة واسعة من الخيارات لعملائنا. تم تصميم هذه المحملات الفرعية مع كل من تصنيفات الضغط ودرجة الحرارة ، وهي مناسبة للاستخدام في أي عملية صناعية تقريبًا. يمكن استخدام كلتا العلامات التجارية للأنابيب بنجاح مع هذا التوفيق. يوفر لك خط التجهيزات النحاسية والفرع النحاسي أداءً فائقًا وموثوقًا في أوسع نطاق من التطبيقات. يمكن لمهندسينا المؤهلين مساعدتك في تحديد أفضل منتج أو تصميم نظام لتلبية احتياجاتك المحددة.

الاتصال معنا

عن Legines

Legines Industrial Machinery Inc.

بصفته أحد الشركات المصنعة للتجهيزات النحاسية في الصين ، وضغط على الموردين. 45 أدوات الآلة التلقائية ، 35 أدوات الآلات CNC شبه الآلية ، وكذلك الموزعين ، الذين أصبحوا موردين مهمين لإنتاج قطع الغيار النحاسية الأمريكية في الصين ...
  • شرف
  • شرف

تعليمات & أخبار