legines.com
3700# تجهيزات تجهيزات النحاس النحاسية تجهيزات النحاس

3700# تجهيزات تجهيزات النحاس النحاسية تجهيزات النحاس

ميزات المنتج: الأسواق:
■■ كل البناء النحاسي ■■ صناعي
■■ يلبي المتطلبات الوظيفية ■■ بناء
SAE J530 و SAE J531 ■■ شاحنة ثقيلة
■■ المواضيع التي تم إجراؤها وفقًا لمعايير درايسيل ■■ متحرك
■■ كل من المهروبات والخروج المتوفرة ■■ مصنع/أتمتة العملية

التطبيقات: أنابيب متوافقة:
■■ الخطوط الجوية ■■ نحاس
■■ خط المياه ■■ النحاس
■■ خطوط التبريد ■■ أنبوب الحديد

تحديد:
يتراوح ضغط ما يصل إلى 1000 رطل واحد
نطاق درجة الحرارة -65˚ إلى 250 درجة فهرنهايت

التطبيق النموذجي:
الشحوم والوقود ، LP والغاز الطبيعي ، الثلاجة.

المطابقة:
يلبي المواصفات والمعايير ASA و ASME و SAE.

الجزء المرجعي رقم:
2203p -3700 -322 -203 -311 -101a -28024 ~ 28028 -101a

اتصل بنا

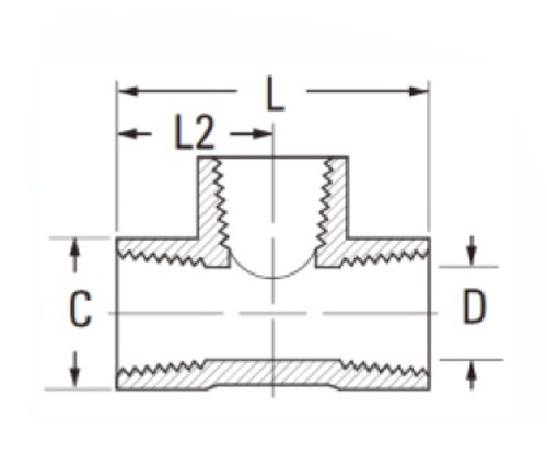
تحديد

جزء#

حجم الموضوع

ج

د

ل2

L

3700-أ

1/8

9/16

.339

.55

1.10

3700-ب

1/4

11/16

.438

.78

1.56

3700 ج

3/8

13/16

.516

.84

1.68

3700 د

1/2

1 "

.703

1.09

2.18

3700-ه

3/4

1 "-1/4

.906

1.38

2.31

*Ref.Sae.No.130438

تم بناء هذا Tee Tee Tee Tee 100 ٪ من النحاس ويفي بالمتطلبات الوظيفية لـ SAE J530 و SAE J531 و SAE J519 و SAE J529. إنه للاستخدام في معدات الهاتف المحمول وتطبيقات البناء. تتيح النقابات التجميع والتفكيك السهل أثناء التنظيف أو الإصلاحات. يتم إجراء اتصالات ملولبة وفقًا لمعايير DRYSEAL لمنع التسرب. وعندما يتعلق الأمر بتصميم وبناء نظام الأنابيب الخاص بك ، فإن Tee 3700# Brass Tee هو الحل. سوف يجلب نظرة احترافية ودائمة إلى مشروعك أثناء توسيع خياراتك عندما يتعلق الأمر بالتثبيت. سوف يصلح هذا الإنطلاق إلى 3/4 بوصة. إن الجسم والقبعات مصنوعة من النحاس ، مما يجعل هذا المقاومة المقاومة للتآكل والصدأ.

الاتصال معنا

عن Legines

Legines Industrial Machinery Inc.

بصفته أحد الشركات المصنعة للتجهيزات النحاسية في الصين ، وضغط على الموردين. 45 أدوات الآلة التلقائية ، 35 أدوات الآلات CNC شبه الآلية ، وكذلك الموزعين ، الذين أصبحوا موردين مهمين لإنتاج قطع الغيار النحاسية الأمريكية في الصين ...
  • شرف
  • شرف

تعليمات & أخبار