legines.com
1570 D.O.T 90 ° محول الكوع

1570 D.O.T 90 ° محول الكوع

ميزات المنتج:
■■ كوليت النحاس
■■ Buna N O-Ring
■■ دعم أنبوب الفولاذ المقاوم للصدأ
■■ يجتمع D.O.T. FMVSS571.106
■■ يجتمع SAE J2494 & SAE J2494-3

الأسواق:
■■ شاحنة ثقيلة
■■ جَرَّار
■■ متحرك

التطبيقات:
■■ مكابح الهواء
■■ خزانات الهواء
■■ ركوب الهواء
■■ انزلاقات
■■ تضخم الإطارات
■■ خطوط الأولية والثانوية

أنابيب متوافقة:
■■ SAE J844 Type A & B أنابيب نايلون

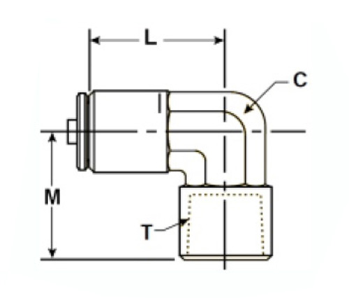
الجزء المرجعي رقم:
AQ70DOT -170PMT -1870 -DQ70DOT -1570DOT

اتصل بنا

تحديد

جزء#

أنبوب O.D × Femlae NPTF

ج

م

ل

1570-DOT-4A

1/4 × 1/8

3/8

.82

.92

1570-DOT-4B

1/4 × 1/4

1/2

.94

.102

1570-DOT-4C

1/4 × 3/8

5/8

.98

1.11

1570-DOT-6B

3/8 × 1/4

1/2

.94

.96

1570-DOT-6C

3/8 × 3/8

5/8

.91

.98

1570-DOT-8D

1/2 × 1/2

5/8

1.21

1.14

يتميز محول Elbow SAE J1570 DOT 90 ° بكوليت نحاسي و BUNA N-Ring من أجل التعلق الخالي من التسرب وتركيبه السهل ، في حين يضمن دعم أنبوب الفولاذ المقاوم للصدأ المتانة. يجتمع D.O.T. المتطلبات ، تلبية مواصفات FMVSS571.106 ، SAE J2494 & SAE J2494-3 للاستخدام مع أنابيب نايلون من النوع A & B SAE J844 في الشاحنة الشاقة ، مقطورة وتطبيقات متنقلة. يسمح التصميم المنخفض من هذا المحول بتناسب المساحات الضيقة ، بينما لا يزال قويًا بما يكفي لتلبية مواصفات DOT. تم تصميم هذا الكوع النحاسي ليتم تركيبه في نهاية الخطوط الجوية الخاصة بك ، مما يسمح لهم بتحويل الزوايا في أماكن ضيقة. إنه مصنوع من مواد مقاومة للتآكل ويحتوي على أنبوب دعم من الفولاذ المقاوم للصدأ الذي يبقيه قويًا.

الاتصال معنا

عن Legines

Legines Industrial Machinery Inc.

بصفته أحد الشركات المصنعة للتجهيزات النحاسية في الصين ، وضغط على الموردين. 45 أدوات الآلة التلقائية ، 35 أدوات الآلات CNC شبه الآلية ، وكذلك الموزعين ، الذين أصبحوا موردين مهمين لإنتاج قطع الغيار النحاسية الأمريكية في الصين ...
  • شرف
  • شرف

تعليمات & أخبار